MTR-30X1,5.16.10 - Alumotion
WEB SİTEMİZ YENİLENDİ !! alumotion.com.tr
MTR-30X1,5.16.10
  • Text
  • Text
  • Text
  • Text

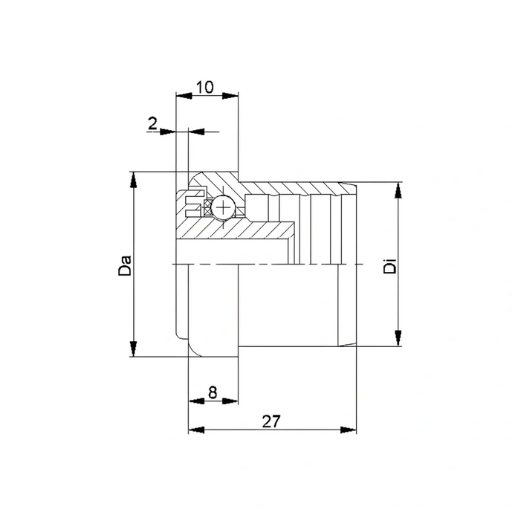
TEKNİK ÖZELLİKLER

MTR-30X1,5.16.10
[]

KTR-30x1,0.00.10 Plastik Rulo Başlığı

Meta Konveyör Sistemleri, Konveyör ekipmanı olarak KTR-30x1,0.00.10 Plastik Rulo Başlığı, Almanya menşeli ve Ø 30x1mm DKP boruya göre, Dizme bilyeli ve Ø 10 mile göre tasarlanan bu ürün, 7kg taşıma kapasitesine sahiptir. 0°C ila 80°C sıcaklık aralığında kullanılabilir. Meta Konveyör Sistemleri güvencesi ile Türkiye'de satışını yapmaktayız.

  • Teknik Detaylar
  • Türü: Plastik
  • Rulo Çapı: Ø 30 mm
  • Boru: Ø 30x1mm DKP Boru uygundur
  • Tipi: Dizme Bilyeli
  • Mil Çapı: Ø 10 mm
  • Flanş Çapı: Ø 28,1 mm
  • Bilye Kafesi: Plastik
  • Taşıma Kapasitesi: 7kg
  • Sıcaklık Aralığı: 0°C ila 80°C
  • Karton Adedi: 250 adet
  • Menşei: Almanya